密封方式:外螺紋
密封范圍:參見選型表
產品分類:螺紋密封測試接頭
產品描述:G60C系列高壓外螺紋密封測試接頭,專為儀器儀表行業的測試、校準等服務,集中了格雷希···
G60C系列高壓外螺紋密封測試接頭,專為儀器儀表行業的測試、校準等服務,集中了格雷希爾GripSeal多年的密封連接技術,專為儀器儀表優化設計不同規格的使用連接。不管是M20X1.5還是M14X1.5,或是其他的G1/2, G1/4等規格,都有大量現貨供應,壓力達700bar,根據螺紋規格即可匹配合適的密封測試接頭 。 (?點擊此處進入淘寶鏈接)
密封連接方案
Sealed Connection Scheme

| & 自鎖式外螺紋密封連接 |
| & 端面密封承壓極限高,密封可靠 | |
| & 主體采用SS316不銹鋼材質,堅固耐磨 | |
| & 大流量通道有效提高測試效率 | |
| & 滑套式操作方式簡單可靠,省時省力 |
產品特點
Product Features

|
|
|
|
| 外包式螺紋鎖緊,無須旋轉,保護用戶產品螺紋不被損傷 | 滑套式結構,輕松推即可實現鎖緊與斷開 | 直通式大流量通道減小對運行測試的影響,提高測試效率 | 端面密封圈密封可靠,日常維護簡單,易于更換 |
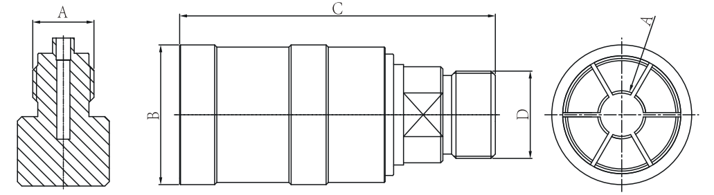
規格與參數
Specifications and Parameters

| & 操作壓力: 從真空到700Bar |
|
| & 密封范圍:參見選型表 | |
| & 插入尺寸:25mm起 | |
| & 流量接口:參見選型表 | |
| & 主體材料:SS316 不銹鋼 | |
| & 主密封圈:丁腈橡膠 | |
| & 操作溫度:-20℃至120℃ |
規格型號表
Specification and Model Table


| 產品型號 | 尺寸A | 主體編號 | 尺寸B | 尺寸C | 尺寸D | 壓力/主體材質 | 密封圈材質 | 密封圈型號 |
| G60C-M10C | M10*1.0 | 1C | 25 | 72 | M14*1.5 | 350Bar/316不銹鋼 | 丁腈橡膠 | SG60CM10C |
| G60C-M10E | M10.1.5 | 1C | 25 | 72 | M14*1.5 | SG60CM10E | ||
| G60C-G01 | G1/8" | 1C | 25 | 72 | M14*1.5 | SG60CG01 | ||
| G60C-R01 | R1/8" | 1C | 25 | 72 | M14*1.5 | SG60CR01 | ||
| G60C-N01 | NPT1/8” | 1C | 25 | 72 | M14*1.5 | SG60CN0 | ||
| G60C-M12C | M12*1.0 | 2C | 32 | 72 | M20*1.5 | SG60CM12C | ||
| G60C-M12E | M12*1.5 | 2C | 32 | 72 | M20*1.5 | SG60CM12E | ||
| G60C-M14E | M14*1.5 | 2C | 32 | 75 | M20*1.5 | SG60CM14E | ||
| G60C-G02 | G1/4" | 2C | 32 | 75 | M20*1.5 | SG60CG02 | ||
| G60C-R02 | R1/4" | 2C | 32 | 75 | M20*1.5 | SG60CR02 | ||
| G60C-N02 | NPT1/4" | 2C | 32 | 75 | M20*1.5 | SG60CN02 | ||
| G60C-M20E | M20*1.5 | 3C | 40 | 85 | M20*1.5 | SG60CM20E | ||
| G60C-G04 | G1/2" | 3C | 40 | 85 | M20*1.5 | SG60CG04 | ||
| G60C-R04 | R1/2" | 3C | 40 | 85 | M20*1.5 | SG60CR04 | ||
| G60C-N04 | NPT1/2" | 3C | 40 | 85 | M20*1.5 | SG60CN04 | ||
| G60HP-M14E | M14*1.5 | 2HP | 36 | 85 | M14*1.5 | 700Bar/316不銹鋼 | 丁腈橡膠 | SG60HPM14E |
| G60HP-M20E | M20*1.5 | 3HP | 43 | 95 | M20*1.5 | SG60HPM20E |
格雷希爾GripSeal密封測試接頭的各系列產品,可為不同的管型、孔徑、接口、螺紋等提供密封方案,近千種標準型號現貨供應,并能根據實際需求為各類異型管件提供專業的非標定制解決方案,讓所有管件的密封不再是難題,其一秒連接,瞬時密封的核心技術讓格雷希爾GripSeal成為密封連接方面的專家。
聯系人:張工
手 機:139 9754 8820
郵 箱:info@ykkjhb.cn
地 址: 咸寧市咸安區青龍青龍大廈1幢1層101號